Mô tả
Cây sửa đá mài kim cương JNM Ø11×50 1.0CT là một loại mũi sửa đá với hàm lượng kim cương tương đối cao 1.00CT. Với hàm lượng này nó thích hợp sửa các loại đá mài phẳng đá mài tròn và đá mài vô tâm từ mềm đến cứng.
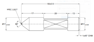
Kích thước phần chuôi của đầu sửa đá mài này là Ø12mm dài 40mm. Nó thích hợp sửa các loại đá có kích thước từ Ø150-Ø500mm. Chiều sâu mỗi lần sửa không vượt quá 1.5mm.

- Kích thước: Ø11×50
- Hàm lượng kim cương: 1.00cts
Ưu điểm sản phầm mũi sửa đá kim cương JNM Ø11×50 1.0CT
- Hàm lượng kim cương tương đối cao thích hợp sửa nhiều loại đá từ mềm đến cứng
- Kích thước nhỏ gọn thích hợp gắn trên nhiều loại máy
- Chất lượng ổn định sản phẩm được chế tạo bởi thương hiệu JNM/Solar nên hoàn toàn yên tâm về chất lượng sản phẩm
- Giá thành hợp lý phù hợp với nhiều người sử dụng
Ưu đãi khi mua sản phẩm cây sửa đá mài kim cương JNM Ø11×50 1.0CT
- Giá cả hợp lý: chúng tôi chuyên cung cấp các sản phẩm mũi sửa đá tại Việt Nam. Do đó chúng tôi cam kết mang lại các sản phẩm chính hãng với giá thành cạnh tranh nhất cho quý khách.
- Giao hàng nhanh: sản phẩm có sẵn tại kho HMTC được giao trong ngày tại Hà Nội, Bắc Ninh, Vĩnh Phúc, Hưng Yên. Đồng thời được giao trong 1-2 ngày với các tỉnh thành phía bắc, 5-6 ngày đến các tỉnh thành phía nam.
- Tư vấn kỹ thuật: kỹ thuật viên của chúng tôi luôn sẵn sàng tư vấn các vấn đề cách sửa đá; lượng sửa đá mài;… để giúp quý khách đạt được yêu cầu mong muốn trong gia công.
Hãy với chúng tôi theo số điện thoại 033 92 53 846 để được tư vấn về sản phẩm phù hợp; kỹ thuật mài; báo giá sản phẩm;…
Xem thêm các sản phẩm đá mài
Quý khách tham khảo các sản phẩm mũi sửa đá khác tại: link
Tham khảo về sửa đá mài và thời điểm cần sửa đá tại: link
Tham khảo các sản phẩm đá mài phẳng tại: link
Quý khách tham khảo các sản phẩm đá mài tròn tại: link
Tham khảo các sản phẩm đá mài hợp kim tại: link
Quý khách tham khảo cách chọn đá mài tại bài viết.
Quý khách tham khảo cách khắc phục vấn đề khi mài chính xác tại bài viết.
Qúy khách tham khảo các loại đá mài hợp kim tại bài viết.








Đánh giá
Chưa có đánh giá nào.